語系

Google tag

CVC Technologies, Inc.Leading pharma packaging.

Cotton Inserter

CVC 1117D

The CVC 1117 Series of Cotton Inserter is designed to insert polyester, rayon, or cotton coil into containers at speeds up to up to 80 bottles per minute. The CVC 1117D is Siemens PLC driven and Servo Motor controlled. Options include tower lamp, missing cotton in bottle detection, reject, and reject verification. The cotton piece length can be set from 70mm to 150mm. It can place from 1-10 inserts per bottles.

The CVC 1117 Series can be fitted over existing conveyor while the CVC 1117D, with the extended cotton head, is designed to be integrated to a dual lane conveyor.

  • Built to cGMP standards
  • Stainless steel construction
  • Quick and easy change over

STANDARD FEATURES

  • Ser vo motor and PLC controlled
  • Memory capacity for 10 jobs
  • Interlocked safety shields
  • Pneumatic gating with container detection
  • 1 - 7 Insertions per bottle
  • ISO 9001:2000 Certified
CVC 1117D
CVC 1117D
MOTORIZED FEEDER FOR COTTON COIL
MOTORIZED FEEDER FOR COTTON COIL
Cotton Spool
Cotton Spool
Previous Next Play Pause

TECHNICAL SPECIFICATIONS

AVAILABLE OPTIONS:

  • Motorized sanitary conveyor (6" wide belt available)
  • Infeed screw system
  • Missing cotton detection & reject system
  •  Tower lamp
  • 21 CFR Part 11 License

 

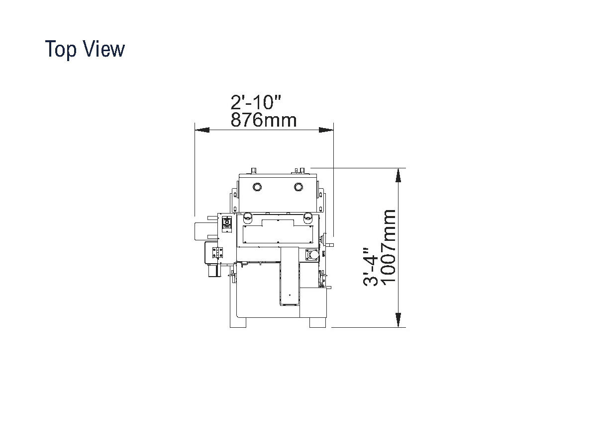
MACHINE LAYOUTS:


The dimensions shown are for standard machine. The conveyor can be extended: the length may vary based on selected options. This machine can run independently or be integrated into an automated packaging line. All CVC equipment is covered by a one-year par ts warranty. Full Warranty details are included in our equipment proposals or can be found on our website.


Technical Specifications CVC 1117D Technical Specifications
Power source 220V, 50/60 Hz, Single Phase
Power Consumption 4 Amp
Air Pressure Minimum 87 psi (ISO 8573-1)
Air Consumption 7 cfm (200 L/sq. cm)
Cotton length 70 - 150 mm
Speed Up to 80 Bottles per Minute(BPM) with single insertion per head
Bottle Height 2" to 8" (51mm to 203mm)
Bottle Diameter 1¼" to 4¼" (32mm - 108 mm)
Neck Opening 1" to 4" (25mm - 108 mm)

CATALOG DOWNLOAD

Ask about this product